Ứng dụng phần mềm Solidworks trong tính toán, thiết kế giá đỡ mâm khoan của máy khoan cọc nhồi kiểu gầu xoay lắp trên cần trục bánh xích

sao sao sao sao sao
05/07/2018 16:04

Bài báo trình bày tóm tắt về cấu tạo, nguyên lý làm việc của máy khoan cọc nhồi nói chung và một loại giá đỡ mâm khoan trên thiết bị khoan do Việt Nam chế tạo.

ThS. NGUYỄN THÙY CHI

Trường Đại học Giao thông vận tải

TÓM TẮT: Bài báo trình bày tóm tắt về cấu tạo, nguyên lý làm việc của máy khoan cọc nhồi nói chung và một loại giá đỡ mâm khoan trên thiết bị khoan do Việt Nam chế tạo. Tác giả sử dụng phần mềm Solidworks 2014 để mô phỏng và phân tích phần tử hữu hạn giá đỡ mâm khoan. Đây là một trong những kết quả quan trọng trong luận án tiến sỹ mà tác giả đang thực hiện.

TỪ KHÓA: Giá khoan, cần khoan, máy khoan cọc nhồi.

ABSTRACT: This article introduces the structure as well as the working principle of the rotary drilling rigs and a common mast link frame system of rotary drilling machine which is made in Vietnam. The author uses Solidworks 2014 software to simulate and to conduct the finite element analysis of the mast link frame system. This is one of the important results in the doctoral thesis that the author is currently doing.

Keywords: Mastlink frame system, mast, rotary drilling rig.

1. ĐẶT VẤN ĐỀ

Hiện nay, trong các phương pháp thi công nền móng thì phương pháp đúc cọc tại chỗ bằng cách dùng khoan cọc nhồi khoan tạo lỗ rồi đúc cọc tại chỗ khá phổ biến do nhiều ưu điểm của công nghệ này. Để làm chủ công nghệ, chủ động trong khai thác vận hành máy và tiến tới thiết kế chế tạo một phần hay toàn bộ máy khoan là việc làm hết sức có ý nghĩa và cần thiết. Qua khảo sát thực tiễn, việc chế tạo bộ công tác của máy khoan cọc nhồi lắp trên cần trục bánh xích là phù hợp với khả năng và trình độ chế tạo trong nước. Khi lắp bộ công tác của máy khoan cọc nhồi lên thiết bị cần phải tính toán giá đỡ sao cho đảm bảo độ bền, độ ổn định cho máy. Việc nghiên cứu kết cấu giá đỡ mâm khoan của máy khoan cọc nhồi kiểu gầu xoay để làm cơ sở cho việc thiết kế và chế tạo loại máy này trong nước là cần thiết. Solidworks là phần mềm phân tích kết cấu khá mạnh hiện nay, từ việc xây dựng mô hình 3D, từ đó sẽ phân tích đánh giá kết cấu, trên cơ sở đó đưa ra được những điểm làm việc bất lợi của máy. Trong phạm vi bài báo, tác giả chỉ trình bày các kết quả nghiên cứu tính toán, thiết kế giá đỡ mâm khoan bằng phương pháp phần tử hữu hạn với sự trợ giúp của phần mềm Solidworks [3].

2. NỘI DUNG NGHIÊN CỨU

2.1. Giới thiệu về máy khoan cọc nhồi kiểu gầu xoay lắp trên cần trục bánh xích

Máy khoan cọc nhồi kiểu gầu xoay bao gồm cần khoan và mũi khoan lắp trên cần trục bánh xích được sử dụng khá phổ biến ở các đơn vị thi công nền móng công trình và của các đơn vị xây dựng cầu, xây dựng nhà cao tầng vì ngoài công dụng chính của loại máy này là khoan tạo lỗ, thì máy cơ sở (cần trục bánh xích) còn được sử dụng để làm các công việc khác như: Hạ lồng thép, phục vụ công tác đổ bê tông trong thi công cọc khoan nhồi, cẩu lao lắp dầm cầu, cẩu lao lắp các cấu kiện trong xây dựng nhà cao tầng, làm máy cơ sở cho máy ép cọc bấc thấm, giá búa đóng cọc... Do đó, các đơn vị thi công thường lựa chọn loại thiết bị này để đầu tư, trang bị.

Nguyên lý làm việc của máy như sau: Máy được di chuyển tới vị trí cần tạo cọc đã được đánh dấu sẵn. Tời nâng hạ gầu sẽ hạ gầu khoan (1) xuống vị trí cần khoan, mâm quay cần khoan (2) sẽ hoạt động thông qua cần khoan (3) truyền chuyển động quay tới gầu khoan để thực hiện quá trình cắt đất. Hệ cần khoan được tích hợp thêm cơ cấu chống xoắn cáp có tác dụng chống xoắn cáp khi cần khoan cùng gầu khoan xoay tròn. Khi gầu khoan đã tích đầy đất bộ tời sẽ kéo gầu khoan lên để xả đất ra ngoài và sau đó gầu lại được đưa trở lại lỗ khoan để tiếp tục chu kỳ làm việc tiếp theo (Hình 2.1).

chi21

1 - Gầu khoan; 2 - Mâm khoan; 3 - Thanh Kelly; 4 - Giá khoan; 5, 6 - Xy-lanh điều chỉnh giá khoan; 7- Cần trục cơ sở

Hình 2.1: Sơ đồ cấu tạo của 1 loại máy khoan cọc nhồi kiểu gầu xoay

 

2.2. Sơ đồ cấu tạo và nguyên lý làm việc của giá đỡ mâm khoan (Hình 2.2)

Giá đỡ mâm khoan (giá khoan) là cụm chi tiết trên đó có lắp các mô-tơ thủy lực, hộp giảm tốc, mâm khoan, các xi-lanh thủy lực và các đường ống thủy lực. Một đầu của giá khoan liên kết với sàn máy còn một đầu được treo lên nhờ cáp treo giá khoan và cáp điều chỉnh giá khoan, phần giữa của giá khoan được liên kết với giá chữ A bằng hai xi-lanh thủy lực. Giá khoan là cụm chi tiết chính đỡ và thực hiện các thao tác của máy. Trong quá trình làm việc của máy, giá khoan chịu tác dụng của nhiều các thành phần ngoại lực, kết cấu của giá khoan chủ yếu chịu uốn và chịu nén [1].

chi22

1 - Giá đỡ; 2 - Giá trượt; 3 - Xi-lanh nâng hạ giá trượt

4 - Xi-lanh neo giá trượt; 5 - Xi-lanh neo giá đỡ; 6 - Khung chữ A

7 - Thanh neo đuôi

Hình 2.2: Sơ đồ cấu tạo hệ giá đỡ đầu khoan

3. MÔ HÌNH HÌNH HỌC CỦA GẦU KHOAN VÀ CẦN KHOAN

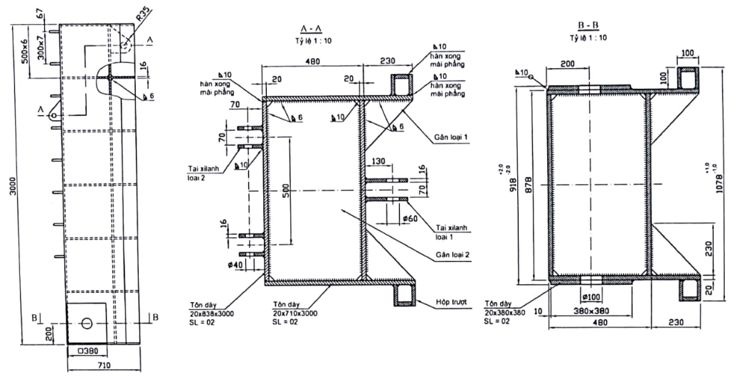
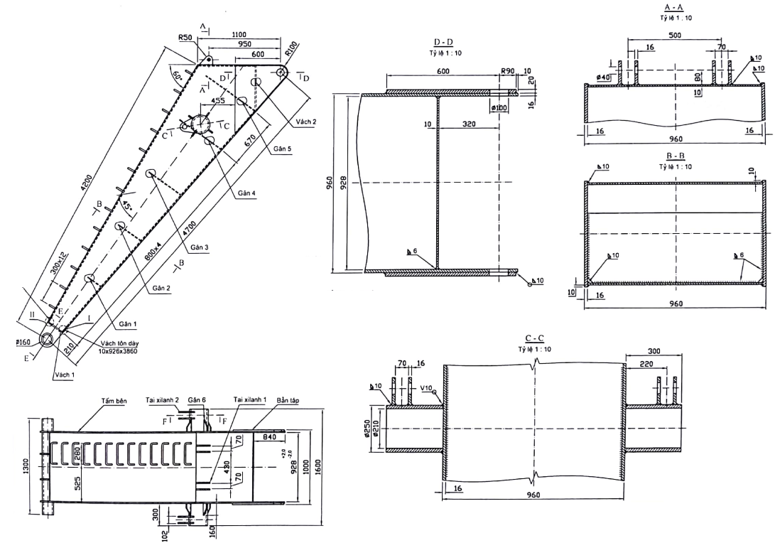
Cấu tạo và mô hình 3D giá đỡ như hình vẽ dưới đây:

chi31
Hình 3.1: Cấu tạo của giá đỡ

Mô hình 3D giá đỡ:

chi32
Hình 3.2: Mô hình 3D của giá đỡ

 

chi33
chi33a
Hình 3.3: Mô hình mô phỏng 3D kết cấu giá trượt
chi34
Hình 3.4: Mô hình mô phỏng 3D kết cấu giá khoan

4. PHÂN TÍCH PHẦN TỬ HỮU HẠN BỘ CÔNG TÁC KHOAN (GIÁ KHOAN)

4.1. Đặc điểm vật liệu

Trong phần mềm Solidworks có sẵn thư viện vật liệu (Material) để lựa chọn vật liệu cho mô hình mô phỏng, các bước khai báo đặc điểm vật liệu cho mô hình như sau:

- Bước 1: Lựa chọn mô hình (chi tiết) cần khai báo.

- Bước 2: Vào thư viện vật liệu chọn vật liệu cần khai báo.

- Bước 3: Trong trường hợp không có vật liệu trong thư viện, có thể khai báo đặc điểm vật liệu bất kỳ tại mục Costum Material.

Vật liệu mà tác giả chọn cho giá khoan là thép CT3 có các đặc tính như sau: Mô-đun đàn hồi: E = 2,1.1011 (N/m2); hệ số Poisson: P = 0,29; khối lượng riêng: γ = 7850 (kg/m3).

chi41
Hình 4.1: Bảng thống số vật liệu chọn cho giá đỡ và giá trượt

 

4.2. Các tổ hợp tải trọng

Trong quá trình làm việc của máy thì dưới tác dụng của các thành phần ngoại lực và trọng lượng bản thân của kết cấu thép giá khoan, các bộ máy đặt trên giá khoan làm cho giá khoan chủ yếu chịu uốn và chịu nén trong mặt phẳng đứng và chịu uốn trong mặt phẳng nằm ngang khi máy chuyển động quay. Tuy nhiên, khi quay máy để đổ đất có tốc độ chậm nên mô-men uốn sinh ra cho giá khoan trong mặt phẳng ngang là không lớn, mà chủ yếu là chịu lực theo phương đứng. Vì vậy, bài báo trình bày tính toán giá khoan theo phương thẳng đứng.

- Góc nghiêng tạo bởi thân giá khoan và phương ngang là α = 60o, đây là trạng thái giá khoan làm việc nặng nhọc nhất.

- Xi-lanh điều chỉnh giá khoan được đặt trên phần nằm ngang của giá khoan và nghiêng một góc 67o so với phương ngang, xi-lanh giữ được liên kết với phần nghiêng của giá khoan và nghiêng một góc 30o so với phương ngang.

Trạng thái làm việc khi máy đào hố ở độ sâu lớn nhất, gầu tích đầy đất thì bị kẹt chặt là trạng thái làm việc bất lợi nhất của giá khoan. Xét tại thời điểm bắt đầu dùng xi-lanh thủy lực để nâng gầu lên lúc này các thành phần tải trọng tác dụng lên kết cấu giá khoan gồm có:

- Trọng lượng của bản thân kết cấu giá khoan, có chiều là chiều của lực trọng trường, phương theo phương thẳng đứng. Trọng lượng này phân bố trên toàn bộ chiều dài của giá khoan.

- Thành phần lực đẩy của xi-lanh thủy lực lên bàn xoay thanh kelly Pxl, cân bằng với các thành phần lực sau:

Pxl = Pkl + Gg+d + GB + G = 226031 (N)

+ Tổng trọng lượng tính toán của toàn bộ thanh kelly, Pxl = 60858 (N);

+ Tổng trọng lượng của toàn bộ gầu chứa đầy đất, Gg+d = 15700 (N);

+ Trọng lượng của khối bentônít tác dụng lên gầu khi thực hiện khoan ở độ sâu hố khoan là lớn nhất. Theo tính toán, GB = 139973 (N);

+ Tổng trọng lượng của tất cả các chi tiết lắp trên giá khoan sẽ là: G = 9500 (N).

4.3. Sơ đồ hóa tính toán giá đỡ và giá trượt

Theo những phân tích ở trên, tác giả đưa ra sơ đồ tính toán giá khoan và giá trượt như sau:

chi42
Hình 4.2: Sơ đồ tính giá khoan trong trường hợp bất lợi nhất

4.4. Phân tích phần tử hữu hạn

Để xác định nội lực bên giá đỡ và giá trượt trong các quá trình làm việc, nhóm tác giả sử dụng chương trình phân tích phần tử hữu hạn Solidworks. Quá trình phân tích cụ thể như sau:

4.4.1. Sự tạo lưới giá trượt và giá đỡ

Sau khi tiến hành tạo lưới các thông số tạo lưới của giá khoan như sau:

chi43
Hình 4.3: Mô hình gầu khoan và đoạn cần khoan sau khi được tạo lưới

4.4.2. Điều kiện biên

Trong điều khiện làm việc bất lợi nhất như đã phân tích ở trên là khi gầu tích đầy đất thì bị kẹt chặt tại thời điểm này bắt đầu dùng xi-lanh thủy lực để nâng gầu lên, lúc đó chúng tôi coi tại vị trí liên kết giữa giá đỡ và bệ máy là liên kết gối cố định, còn tai liên kết với xi-lanh neo giá đỡ coi là liên kết chốt như hình dưới đây.

chi44 (1)
Hình 4.4: Đặt điều kiện biên liên kết gối cố định
chi45
Hình 4.5: Đặt điều kiện biên liên kết chốt

4.4.3. Đặt lực cho các chi tiết

Với những phân tích trong mục 5.2, nhóm tác giả tiến hành đặt các giá trị lực tác dụng vào giá đỡ và giá trượt, các thông số cụ thể về độ lớn, phương và chiều của các lực được thể hiện trên Hình 4.5.

chi46
Hình 4.6: Đặt lực tác dụng lên giá khoan

 

4.5. Các kết quả thu được sau khi phân tích phần tử hữu hạn

chi47
Hình 4.7: Ứng suất phân bố trên giá khoan
chi48
Hình 4.8: Chuyển vị của giá khoan

Nhận xét: Trong trường hợp làm việc khi máy khoan đào hố ở độ sâu lớn nhất, gầu tích đầy đất thì bị kẹt chặt, xét tại thời điểm bắt đầu dùng xi-lanh thủy lực để nâng gầu lên thì ứng suất lớn nhất xuất hiện trên giá khoan tại vị trí tai liên kết giữa giá đỡ và xi-lanh neo giá đỡ với giá trị smax = 21.9 (N/mm2) < [s] = 160 (N/mm2). Chuyển vị lớn nhất trên đỉnh của giá trượt, giá trị chuyển vị tại đây là 0.31 (mm). Vậy, giá khoan với kết cầu trên làm bằng vật liệu thép CT3 hoàn toàn đảm bảo điều kiện làm việc.

5. KẾT LUẬN

Phần tính toán, thiết kế giá khoan của máy khoan cọc nhồi kiểu gầu xoay lắp trên cần trục bánh xích do Việt Nam chế tạo tác giả đã đạt được một số kết quả sau đây:

- Phân tích được dạng kết cấu của giá đỡ mâm khoan (giá khoan), từ đó tiến hành xây dựng mô hình mô phỏng 3D kết cấu bằng phần mềm Solidworks.

- Đã tiến hành xác định được các trường hợp làm việc của máy nhằm xác định các điều kiện cho việc phân tích phần tử hữu hạn giá khoan. Sau đó, sử dụng phần mềm Solidworks để phân tích kết cấu và đã nhận được kết quả thể hiện các điểm làm việc bất lợi của giá khoan, cũng như thấy được kết cấu mô hình đưa ra đảm bảo được khả năng chịu lực và đáp ứng được nhu cầu công việc của máy. Các kết quả nghiên cứu có thể sử dụng làm tài liệu có ích cho việc chế tạo máy khoan cọc nhiều kiểu gầu xoay lắp trên cần trục bánh xích tại Việt Nam.

Tài liệu tham khảo

[1]. Nguyễn Văn Vịnh và các cộng sự (2011), Báo cáo tổng kết đề tài B2011-04-01: “Nghiên cứu tính toán, thiết kế, chế tạo bộ công tác của máy khoan cọc nhồi lắp trên cần trục bánh xích”.

[2]. Nguyễn Văn Hợp, Phạm Thị Nghĩa, Kết cấu thép Máy xây dựng - Xếp dỡ, NXB. GTVT.

[3]. PGS. TS. Nguyễn Việt Hùng, TS. Đào Hồng Bách, Hướng dấn sử dụng Solidworks trong thiết kế 3 chiều, NXB. Xây dựng.

Ý kiến của bạn

Bình luận

Ứng dụng CNTT trong hoạt động vận tải nhằm giảm chi phí logistics

Ứng dụng CNTT trong hoạt động vận tải nhằm giảm chi phí logistics

Bài báo đề cập tới lợi ích và giải pháp cần thiết để doanh nghiệp Việt Nam ứng dụng công nghệ thông tin (CNTT)...

Nghiên cứu ứng dụng logic mờ trong phân tích tài chính dự án giao thông theo hình thức hợp tác công - tư

Nghiên cứu ứng dụng logic mờ trong phân tích tài chính dự án giao thông theo hình thức hợp tác công - tư

Phát triển cơ sở hạ tầng giao thông sẽ tạo điều kiện để phát triển kinh tế - xã hội, đáp ứng tiến trình hội nhập kinh tế...

Đánh giá ảnh hưởng của hệ số tổn thất khí động qua xu-páp nạp, thải đến các thông số vận hành của động cơ Hyundai 2.5TCI-A

Đánh giá ảnh hưởng của hệ số tổn thất khí động qua xu-páp nạp, thải đến các thông số vận hành của động cơ Hyundai 2.5TCI-A

Hiện nay, việc tính toán chu trình công tác (CTCT) của động cơ đốt trong thường sử dụng các phần mềm mô phỏng (PMMP) chuyên dụng như: Diesel RK, GT - Power, AVL - Boost…

Nghiên cứu sóng hài dòng điện hệ thống cung cấp điện kéo đường sắt đô thị

Nghiên cứu sóng hài dòng điện hệ thống cung cấp điện kéo đường sắt đô thị

Đường sắt đô thị là loại hình GTVT đáp ứng nhu cầu đi lại của người dân trong các thành phố hiện đại.

Nghiên cứu đặc tính thâm nhập ion clo của bê tông geopolymer tro bay

Nghiên cứu đặc tính thâm nhập ion clo của bê tông geopolymer tro bay

Bài báo trình bày kết quả nghiên cứu đặc tính thâm nhập ion clorua của bê tông geopolymer tro bay.

Nghiên cứu đặc điểm đi lại và đề xuất giải pháp phát triển xe đạp công cộng tại các đô thị ở Việt Nam

Nghiên cứu đặc điểm đi lại và đề xuất giải pháp phát triển xe đạp công cộng tại các đô thị ở Việt Nam

Xe đạp công cộng được nhiều quốc gia trên thế giới xem là mắt xích cuối cùng trong chuỗi vận tải đa phương tiện