Nghiên cứu xây dựng mô hình hệ truyền động chỉnh lưu Thyristor - động cơ điện một chiều của tàu công trình Trường Sa trong phòng thí nghiệm

sao sao sao sao sao
15/03/2018 17:51

Bài báo đề xuất mô hình thực nghiệm hệ truyền động chỉnh lưu Thyristor - Động cơ điện một chiều của tàu Trường Sa trong phòng thí nghiệm.

TS. PHẠM TÂM THÀNH

Trường Đại học Hàng hải Việt Nam

TÓM TẮT: Bài báo đề xuất mô hình thực nghiệm hệ truyền động chỉnh lưu Thyristor - Động cơ điện một chiều của tàu Trường Sa trong phòng thí nghiệm. Cấu trúc này được xây dựng khá đầy đủ gồm mạch công suất, mạch điều khiển, mạch phát xung, các bộ điều chỉnh. Mô hình này có thể được sử dụng để nghiên cứu hệ truyền động điện một chiều trên tàu Trường Sa, phục vụ công tác thực hành thí nghiệm một số học phần: Điện tử công suất, Truyền động điện, Tổng hợp hệ điện cơ… cho sinh viên ngành Kỹ thuật điều khiển và tự động hóa. Các kết quả thực nghiệm chứng tỏ tính khả thi của mô hình hệ thống.

TỪ KHÓA: Động cơ điện một chiều, truyền động điện một chiều, chỉnh lưu.

Abstract: This paper proposed structural experimental model of Truong Sa’s DC Drives in Labratory. This structure contains: Power circuit, control, pulse control fire, controllers. We can use this system to research, experimental DC Drives of Truong Sa vessel and simulate some subjects in automation and control engineering as power electronics, drives, synthesis of Electromechanical System. The experimental results are given to verify the effectiveness of the proposed model system.

Keywords: DC Motor, DC Drive, Rectifier.

1. ĐẶT VẤN ĐỀ

Hệ truyền động Thyristor - Động cơ điện một chiều (T-Đ) được ứng dụng rộng rãi trong các lĩnh vực, trong các dây chuyền công nghệ: Cán thép, sản xuất cáp điện. Trong lĩnh vực hàng hải, một số tàu công trình vẫn sử dụng hệ truyền động điện một chiều trong hệ thống tời neo, hệ thống lai chân vịt… như tàu Hoàng Sa, tàu Trường Sa của VietXo Petro, đây là các tàu có các cần cẩu trọng tải từ 300 đến 600 tấn để cẩu các giàn khoan ngoài biển khơi.

Bài báo nghiên cứu cấu trúc hệ truyền động điện chỉnh lưu Thyrisor - Động cơ điện một chiều ứng dụng trên tàu Trường Sa. Trên tàu Trường Sa, hệ thống này được sử dụng ở hai hệ thống: Truyền động chân vịt và hệ truyền động cẩu 300 tấn.

Cấu trúc điều khiển động cơ điện một chiều đã chín muồi [1,2,3,4,5]. Các bộ điều khiển động cơ điện một chiều đã được chế tạo dưới dạng sản phẩm công nghiệp. Các bộ điều khiển động cơ điện một chiều có thể kể tên là Mentor II, Simoreg… Trong bài báo, tác giả tập trung xây dựng hệ thống truyền động điện chỉnh lưu Thyristor - Động cơ điện một chiều nhằm làm chủ cấu trúc điều khiển và có thể nội địa hóa sản phẩm, mục tiêu ban đầu là xây dựng cấu trúc thí nghiệm. Bài báo tập trung vào tính toán thiết kế mạch lực và mạch điều khiển của hệ truyền động.

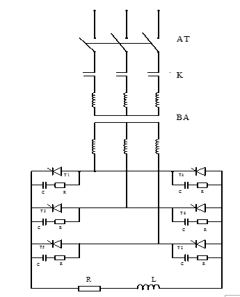
2. CẤU TRÚC MẠCH LỰC HỆ THỐNG CHỈNH LƯU THYRISTOR - ĐỘNG CƠ ĐIỆN MỘT CHIỀU

Mạch lực bao gồm các thiết bị sau: Cầu dao 3 pha, áp-tô-mát 3 pha, công-tắc-tơ 3 pha, biến áp 3 pha (nối Y/Y), 6 van bán dẫn (Thyristor) mắc theo sơ đồ cầu, các phần tử bảo vệ cho van bán dẫn RC, động cơ điện một chiều kích từ độc lập.

Thông số động cơ như sau: Công suất P=2,2kW, dòng điện phần ứng Iu =23A, điện áp phần ứng Uu=110VDC, điện áp kích từ Ukt=110VDC, tốc độ n=1440 (v/ph).

- Sơ đồ mạch lực như sau: Sau khi tính toán các thông số như điện áp ngược định mức, dòng làm việc định mức, điều kiện làm việc ta tiến hành chọn van dựa vào các thông số đã được tính: Chọn loại van có ký hiệu C48C300.

- Điện áp ngược định mức Unmax= 300 (V).

- Dòng điện định mức Iđm=80 (A).

- Dòng điện đỉnh cực đại Ipik=800 (A).

- Dòng xung điều khiển Ig=75 ( mA).

- Điện áp xung điều khiển Ug=3 (V).

- Thời gian chuyển mạch và khóa t =80 ( μs).

- Sụt áp trên van ΔU=3,2 (V).

 

thanh2.1
Hình 2.1: Sơ đồ mạch lực chỉnh lưu cầu 3 pha điều khiển đối xứng

3. CẤU TRÚC MẠCH ĐIỀU KHIỂN HỆ THỐNG CHỈNH LƯU THYRISTOR - ĐỘNG CƠ ĐIỆN MỘT CHIỀU

thanh3.1
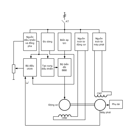
Hình 3.1: Mạch điều khiển điện tử hệ truyền động Thyristor - Động cơ một chiều

Mạch điều khiển điện tử hệ truyền động Thyristor - Động cơ một chiều gồm các khối:

- Khối điều chỉnh (tốc độ và dòng điện) có hai vòng hồi tiếp;

- Khối tạo xung điều khiển;

- Khối nguồn cung cấp và đồng pha;

- Khối bảo vệ.

3.1. Nguyên lý hoạt động của mạch điều khiển (mạch tạo xung)

Khối tạo xung điều khiển: Sơ đồ một kênh điều khiển chỉnh lưu cầu 3 pha được thiết kế theo sơ đồ Hình 3.2:

Nguyên lý hoạt động của mạch điều khiển (tạo xung):

Mạch điều khiển có nhiệm vụ tạo ra các xung đưa vào các cực điều khiển của các Thyristor (khoảng thời gian phát xung được quy định bởi giá trị của Uđk). Hệ thống mạch điều khiển phải đáp ứng các yêu cầu sau:

- Điều chỉnh được vị trí xung điều khiển trong phạm vi nửa chu kỳ dương của điện áp đặt lên Anốt - Katốt Thyristor.

- Tạo ra các xung đủ điều kiện mở Thyristor (biên độ từ 3÷10V, độ rộng 01 xung bằng 20÷100ms đối với thiết bị chỉnh lưu công suất cỡ 01W).

- Đảm bảo hoạt động tin cậy khi điện áp nguồn thay đổi và khi có nhiễu.

thnah3.2
Hình 3.2: Sơ đồ mạch tạo xung điều khiển

3.2. Xây dựng bộ điều chỉnh

Bộ điều chỉnh là một trong những phần tử quan trọng nhất trong hệ điều chỉnh tự động truyền động điện vì nó đảm bảo chất lượng động và tĩnh của hệ. Bộ điều chỉnh có hai nhiệm vụ: Khuếch đại tín hiêu sai lệch nhỏ của hệ và tạo hàm điều khiển đảm bảo chất lượng động và tĩnh của hệ.

thanh3.3
Hình 3.3: Sơ đồ bộ điều chỉnh tín hiệu vào Uđk

4. HỆ THỐNG THỰC NGHIỆM VÀ KẾT QUẢ THỰC NGHIỆM

4.1. Cấu trúc thực nghiệm

thanh4.1
Hình 4.1: Hình ảnh toàn bộ hệ T-Đ
thnah4.2
Hình 4.2: Hình ảnh mạch lực

4.2. Các kết quả thử nghiệm

thanh4.3
Hình 4.3: Tín hiệu ra sau bộ cộng tín hiệu
thnah4.4
Hình 4.4: Xung vuông ra của khâu so sánh
thnah4.5
Hình 4.5: Tín hiệu ra của bộ tạo xung tam giác
thanh4.6
Hình 4.6: Tín hiệu ra của biến áp xung

Các kết quả hoàn toàn đúng với lý thuyết.

6. KẾT LUẬN

Bài báo đã nghiên cứu cấu trúc hệ truyền động chỉnh lưu Thyristor - Động cơ điện một chiều, từ đó tiến hành xây dựng hệ thống thực nghiệm hệ truyền động này. Cấu trúc hệ thống thực nghiệm đầy đủ từ mạch lực, mạch điều khiển, các bộ điều chỉnh. Cấu trúc mô phỏng này được sử dụng để nghiên cứu hệ truyền động điện chỉnh lưu Thyristor - Động cơ điện một chiều nói chung và hệ truyền động điện động cơ điện một chiều trên tàu Trường Sa nói riêng. Các kết quả thực nghiệm thu được đã chứng tỏ tính khả thi của hệ thống o

Tài liệu tham khảo

[1]. Bùi Quốc Khánh, Nguyễn Văn Liễn, Nguyễn Thị Hiền (1996), Truyền động điện, NXB. Khoa học và Kỹ thuật, Hà Nội.

[2]. Cyril W.Lander (Lê Văn Doanh dịch) (1997), Điện tử công suất và điều khiển động cơ điện, NXB. Khoa học và Kỹ thuật, Hà Nội.

[3]. Shengqiang Li, Xiaodong Liang and Wilsun Xu (2015), Modeling DC Motor Drive Systems in Power System Dynamic Studies, IEEE Transactions on industry applications, vol. 51, no. 1, january/february, pp. 658-668.

[4]. Mohd Tariq, Md. Tauquir Iqbal (2014), Power quality improvement by using multi-pulse AC-DC converters for DC drives: Modeling, simulation and its digital implementation, Journal of Electrical Systems and Information Technology 1, 255-265.

[5]. Joaqu´ın Pedra, Luis Sainz, Felipe Corcoles, Joan Bergas, Alfredo de Blas (2008), Effects of balanced and unbalanced voltage sags on DC adjustable-speed drives, Electric Power Systems Research 78, 957-966.

Ý kiến của bạn

Bình luận

Ứng dụng CNTT trong hoạt động vận tải nhằm giảm chi phí logistics

Ứng dụng CNTT trong hoạt động vận tải nhằm giảm chi phí logistics

Bài báo đề cập tới lợi ích và giải pháp cần thiết để doanh nghiệp Việt Nam ứng dụng công nghệ thông tin (CNTT)...

Nghiên cứu ứng dụng logic mờ trong phân tích tài chính dự án giao thông theo hình thức hợp tác công - tư

Nghiên cứu ứng dụng logic mờ trong phân tích tài chính dự án giao thông theo hình thức hợp tác công - tư

Phát triển cơ sở hạ tầng giao thông sẽ tạo điều kiện để phát triển kinh tế - xã hội, đáp ứng tiến trình hội nhập kinh tế...

Đánh giá ảnh hưởng của hệ số tổn thất khí động qua xu-páp nạp, thải đến các thông số vận hành của động cơ Hyundai 2.5TCI-A

Đánh giá ảnh hưởng của hệ số tổn thất khí động qua xu-páp nạp, thải đến các thông số vận hành của động cơ Hyundai 2.5TCI-A

Hiện nay, việc tính toán chu trình công tác (CTCT) của động cơ đốt trong thường sử dụng các phần mềm mô phỏng (PMMP) chuyên dụng như: Diesel RK, GT - Power, AVL - Boost…

Nghiên cứu sóng hài dòng điện hệ thống cung cấp điện kéo đường sắt đô thị

Nghiên cứu sóng hài dòng điện hệ thống cung cấp điện kéo đường sắt đô thị

Đường sắt đô thị là loại hình GTVT đáp ứng nhu cầu đi lại của người dân trong các thành phố hiện đại.

Nghiên cứu đặc tính thâm nhập ion clo của bê tông geopolymer tro bay

Nghiên cứu đặc tính thâm nhập ion clo của bê tông geopolymer tro bay

Bài báo trình bày kết quả nghiên cứu đặc tính thâm nhập ion clorua của bê tông geopolymer tro bay.

Nghiên cứu đặc điểm đi lại và đề xuất giải pháp phát triển xe đạp công cộng tại các đô thị ở Việt Nam

Nghiên cứu đặc điểm đi lại và đề xuất giải pháp phát triển xe đạp công cộng tại các đô thị ở Việt Nam

Xe đạp công cộng được nhiều quốc gia trên thế giới xem là mắt xích cuối cùng trong chuỗi vận tải đa phương tiện