Nghiên cứu xây dựng hệ thống điều khiển cho lò sấy máy điện

sao sao sao sao sao
25/08/2021 14:58

Bài báo giới thiệu hệ thống điều khiển cho lò sấy máy điện phục vụ công tác đào tạo kỹ sư thực hành ngành điện.

 

TS. ĐỒNG XUÂN THÌN
Trường Cao đẳng VMU - Đại học Hàng hải Việt Nam

Untitled
Mạch điều khiển

 

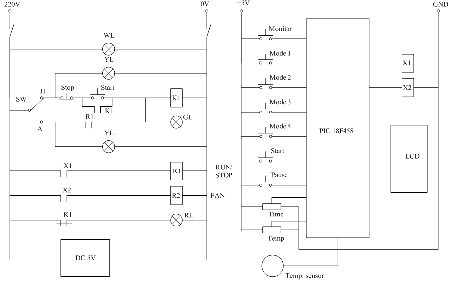
TÓM TẮT: Bài báo giới thiệu hệ thống điều khiển cho lò sấy máy điện phục vụ công tác đào tạo kỹ sư thực hành ngành điện. Hệ thống hoạt động ở hai chế độ bằng tay và tự động. Hệ động lực sử dụng điện áp xoay chiều 3 pha 380 V. Hệ giám sát và điều khiển tự động sử dụng vi điều khiển PIC 18F458. Nhiệt độ sấy tối đa cho phép là 1000C. Tín hiệu nhiệt độ của lò sấy được lấy thông qua IC cảm biến nhiệt độ LM35. Trong chế độ tự động, có 4 chế độ được thiết lập thông số thời gian và nhiệt độ sấy cố định cho những người vận hành. Nếu người vận hành có kiến thức chuyên sâu về sấy máy điện thì có thể tự chọn thời gian và nhiệt độ sấy thông qua hai biến trở điều chỉnh. Ở chế độ tự động, các thông số cài đặt về thời gian và nhiệt độ của lò luôn được hiển thị trên màn hình LCD 16x2. Thông số về nhiệt độ thực và thời gian sấy còn lại cũng được giám sát trên màn hình này. Ở chế độ bằng tay, nhiệt độ của lò sấy cũng có thể được hiển thị trên màn hình LCD.
TỪ KHÓA: Hệ thống sấy, máy điện, giám sát nhiệt độ, PIC 18F458.
ABSTRACT: This paper introduced a control system for electrical machines used to train for electrical engineering. System operates in manual and automatic modes. Microcontroller PIC 18F458 was employed to control this system in automatic mode. The maximum heating temperature is 100 degrees. The real temperature signal of system was collected by temperature sensor LM35. In automatic opearating mode, there are four fixed modes and one flexible setting mode. The maker can set temperature and time for heating by two varistors. The setting and real parameters are always showed on the liquid crystal display 16x2.
KEYWORDS: Heating system, electrical machine, temperature monitoring, PIC 18F458.
Nội dung xem tại đây

 

 

Ý kiến của bạn

Bình luận

Phát triển nguồn nhân lực cho xây dựng, vận hành đường sắt tốc độ cao Bắc - Nam

Phát triển nguồn nhân lực cho xây dựng, vận hành đường sắt tốc độ cao Bắc - Nam

Đường sắt tốc độ cao (ĐSTĐC) Bắc - Nam là dự án trọng điểm quốc gia, có ý nghĩa hết sức quan trọng, góp phần phát triển kinh tế - xã hội, công nghiệp hóa, hiện đại hóa đất nước. Trong đó, việc tiếp nhận chuyển giao công nghệ, phát triển công nghiệp và đào tạo nguồn nhân lực là một trong những yếu tố quan trọng đảm bảo quá trình đầu tư, vận hành, khai thác hiệu quả và từng bước đưa đường sắt tốc độ cao trở thành động lực phát triển của nền kinh tế.

Hội thảo quốc tế Xây dựng đường sắt tốc độ cao ở Việt Nam và Kinh nghiệm từ Trung Quốc

Hội thảo quốc tế Xây dựng đường sắt tốc độ cao ở Việt Nam và Kinh nghiệm từ Trung Quốc

Ngày 9/1 tại Hà Nội, Trường Đại học Giao thông vận tải (GTVT) phối hợp Trường Đại học Giao thông Tây Nam (Trung Quốc) tổ chức Hội thảo quốc tế Xây dựng đường sắt tốc độ cao tại Việt Nam và Kinh nghiệm của Trung Quốc.

Phát triển đường thuỷ nội địa - Giải pháp giảm bền vững chi phí logistics

Phát triển đường thuỷ nội địa - Giải pháp giảm bền vững chi phí logistics

Tại Việt Nam, chi phí logistics trung bình ở mức tương đương 16,8 - 17% GDP và vẫn còn ở mức khá cao so với mức bình quân chung của thế giới (khoảng 10,6%). Với tốc độ tăng lượng hàng hóa nêu trên, nếu cơ sở hạ tầng logistics và tính kết nối giữa các phương thức vận tải không được cải thiện sẽ không thể đáp ứng được nhu cầu vận tải, tình trạng tắc nghẽn các tuyến đường dẫn vào cảng biển chính sẽ ngày càng nghiêm trọng, khi đó chi phí logistics có thể tăng cao hơn so với thời điểm hiện tại, nếu không có giải pháp vận tải lâu dài, bền vững.

Tiêu chuẩn thiết bị an toàn cho trẻ em trên ô tô, kinh nghiệm thế giới và hướng áp dụng ở Việt Nam

Tiêu chuẩn thiết bị an toàn cho trẻ em trên ô tô, kinh nghiệm thế giới và hướng áp dụng ở Việt Nam

Tiêu chuẩn kỹ thuật số 44 (UN Regulation No.44 - UN R44) và Tiêu chuẩn kỹ thuật số 129 (UN Regulation No.129 - UN R129) do Ủy ban Kinh tế Liên hợp quốc về châu Âu (UNECE) ban hành cho hệ thống thiết bị an toàn của trẻ em trên xe ô tô. Hai tiêu chuẩn này được trình bày và so sánh với nhau để làm rõ tính ứng dụng thực tế vào Việt Nam. Bên cạnh đó, tình hình áp dụng hai tiêu chuẩn này trên thế giới và cụ thể tại Malaysia được trình bày chi tiết. Hiện tại, Việt Nam nên áp dụng đồng thời cả hai tiêu chuẩn để khuyến khích người đi ô tô sử dụng ghế trẻ em theo khả năng tài chính và nhu cầu an toàn; đồng thời nên có định hướng dẫn chuyển hoàn toàn sang UN R129.

5 thông tư mới lĩnh vực đăng kiểm cùng có hiệu lực từ 1/1/2025

5 thông tư mới lĩnh vực đăng kiểm cùng có hiệu lực từ 1/1/2025

Theo Cục Đăng kiểm VN, 5 thông tư mới về lĩnh vực đăng kiểm cùng có hiệu lực từ 1/1/2025, nhằm đồng bộ hóa về thời gian với Luật Trật tự, ATGT đường bộ.

Đề xuất thiết lập tuyến vận tải thủy xuyên suốt 4 nước dọc sông Mê Kông

Đề xuất thiết lập tuyến vận tải thủy xuyên suốt 4 nước dọc sông Mê Kông

6 quốc gia dọc tuyến sông Lan Thương – Mê Kông đang hướng đến xây dựng, áp dụng các quy định chung về giao thông thủy trên tuyến sông này; tiến tới thiết lập mạng lưới vận tải thủy xuyên suốt 4 nước.