Nghiên cứu tổng quan các tiêu chí đánh giá dao động của ô tô

Nghiên cứu tổng quan các tiêu chí đánh giá dao động của ô tô

Dao động của ô tô sinh ra trong quá trình chuyển động ảnh hưởng đến đường, bản thân chiếc xe và người ngồi trên xe. Để đánh giá những tác động này, các nhà khoa học đã đưa ra các tiêu chí đánh giá. Với sự phát triển của khoa học công nghệ, hệ thống treo không chỉ đóng vai trò tạo độ êm dịu chuyển động mà còn phải đảm bảo các nhiệm vụ khác. Việc đánh giá dao động của ô tô cần tổng quát hơn. Bài báo giới thiệu các tiêu chí đánh giá dao động của ô tô theo 4 nội dung: độ êm dịu chuyển động, tải trọng động, an toàn động lực học và không gian treo.

Diễn đàn khoa học
Tính toán dao động tự do của cầu nhịp lớn sử dụng phần mềm ANSYS

Tính toán dao động tự do của cầu nhịp lớn sử dụng phần mềm ANSYS

Nghiên cứu dao động tự do có ý nghĩa quan trọng trong tính toán thiết kế kháng gió. Bài báo trình bày việc xác định các tần số dao động uốn và dao động xoắn đầu tiên của dầm chủ cầu nhịp lớn bằng phần mềm ANSYS ACADEMIC [1]. Phần cuối bài báo, một mô hình cầu cụ thể được nghiên cứu tính toán.

Diễn đàn khoa học
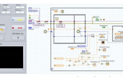
Hệ thống đo dao động tần số cao đa kênh sử dụng thiết bị NI

Hệ thống đo dao động tần số cao đa kênh sử dụng thiết bị NI

Bài báo giới thiệu hệ thống đo và giám sát tín hiệu dao động tần số cao (lên tới 1 MHz) đa kênh.

Diễn đàn khoa học
Ứng dụng công nghệ xử lý ảnh xác định dao động kết cấu công trình

Ứng dụng công nghệ xử lý ảnh xác định dao động kết cấu công trình

Một trong những ứng dụng quan trọng của công nghệ xử lý ảnh trong ngành GTVT là đo đặc tính dao động phục vụ công tác đánh giá,

Ứng dụng
Nghiên cứu đo vận tốc thực của xe trong quá trình phanh

Nghiên cứu đo vận tốc thực của xe trong quá trình phanh

Trong quá trình phanh thường xảy ra hiện tượng trượt, dẫn tới vận tốc thực và vận tốc hiển thị trên xe không trùng nhau.

Chẩn đoán hư hỏng dầm cầu bê tông cốt thép dự ứng lực nhịp giản đơn bằng phương pháp dao động

Chẩn đoán hư hỏng dầm cầu bê tông cốt thép dự ứng lực nhịp giản đơn bằng phương pháp dao động

Bài báo trình bày cách xác định vị trí và mức độ hư hỏng kết cấu dầm cầu bê tông cốt thép dự ứng lực nhịp giản đơn I24.54m bằng thuật toán Mac-Ewins và Bunnhiacopxiki trên cơ sở dấu hiệu chẩn đoán hư hỏng là tần số, biên độ dao động riêng của dầm.

Đánh giá sức khỏe kết cấu cầu bằng phương pháp đo dao động xung kích

Đánh giá sức khỏe kết cấu cầu bằng phương pháp đo dao động xung kích

Sự suy giảm các thông số động học của cầu trong đó có tần số dao động riêng là hệ quả tất yếu của sự suy giảm độ cứng ở kết cấu nhịp cầu.

Nghiên cứu dao động đoàn xe dưới ảnh hưởng của lực quán tính khi phanh

Nghiên cứu dao động đoàn xe dưới ảnh hưởng của lực quán tính khi phanh

Đoàn xe là phương tiện được sử dụng phổ biến trong vận tải hàng hóa vì có sức chở lớn.

Đo đạc thực nghiệm và mô phỏng số nhận dạng dao động kết cấu nhịp cầu dây văng Mỹ Thuận

Đo đạc thực nghiệm và mô phỏng số nhận dạng dao động kết cấu nhịp cầu dây văng Mỹ Thuận

Cầu Mỹ Thuận là một trong các cầu dây văng nhịp lớn được xây dựng đầu tiên ở Việt Nam cùng với một số cầu dây văng khác như Cần Thơ, Rạch Miễu, Kiền, Bính... Sau một thời gian đưa vào khai thác, sử dụng, cầu đã xuất hiện một số dấu hiệu xuống cấp cần được xử lý để đảm bảo tuổi thọ và độ bền khai thác lâu dài của cầu.

Khảo sát dao động của phương tiện vận chuyển chịu tải trọng xung

Khảo sát dao động của phương tiện vận chuyển chịu tải trọng xung

Một trong những dạng tải trọng gây nguy hiểm nhất cho các phương tiện vận chuyển là dạng tải trọng xung.